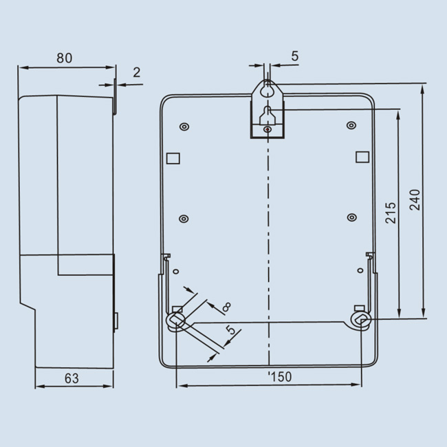
概述:
DTSD950、DSSD950型三相電子式多功能電能表,采用專用大規模集成電路以及SMT工藝技術,工業級國際知名品牌長壽命元器件,信息顯示用5+2位LCD寬溫液晶屏顯示,停電數據不丟失。本產品是根據國家有關的技術標準、規程和廣大用戶要求開發成功的。高精度準確計量50-60Hz交流電網中的三相有功電量,無功四象限電量和分時電量,測量電網中各項用電參數的儀表。具有精度高、穩定性好、實用性強、功能強大、操作方便等特點,達到了比較先進的水平。
基本功能和特點:
1、分時計量正向有功和反向有功電能;分時計量正向無功和反向無功電能。
2、分時計量正向有功最大需量和反向有功最大需量及生時間。
3、計量四象限無功電能。
4、實時測量三相的電壓、電流、功率等有效值;實時測量當前頻率、功率因數。
5、具有4種費率,10個日時段,4個時區,5個日時段表及12公共節假日。
6、最大需量周期5、10、15、30、60可設。
7、具有停電紅外抄表功能。
8、通過RS485接口與PC機進行通迅,也可與掌上電腦進行紅外通訊,完成編程設置和抄表,並可通過紅外遙控器完成抄讀。RS485實行內部電氣隔離,有防雷擊電路;雙RS485通訊端口可選。
9、事件記錄功能:具有失壓、失流、電壓合格率、停電時間、編程時間、編程次數、需量清零、廣播校時等事件記錄功能。
10、可實現參數輪顯,輪顯的參數和時間可預先設置,參數輪顯的順序也可設定。
11、電表具有正向有功和無功遠動脈衝輸出端口。
12、電量凍結功能。
13、特殊功能:開蓋記錄功能;負荷曲線記錄功能;負荷代表日整點有功電能記錄;時區結束正向有功電能凍結功能;故障信息報警提示;超負荷信號輸出功能。
